При ремонте электронной технике зачастую приходится сталкиваться с необходимостью чтения/записи информации хранимой в микросхемах ПЗУ.
Например при восстановлении BIOS системной платы, изменении конфигурационной информации различных периферийных устройств и т.п.
В том случае, если для этого нет возможности использовать чисто программные средства компьютера на помощь приходят программаторы.
Существует много разнообразных типов микросхем ПЗУ и интерфейсов для общения с ними. Универсальные программаторы позволяют работать с различными ПЗУ, но при этом как правило сложны в сборке, а готовые варианты стоят достаточно дорого.
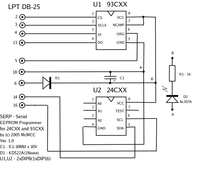
В данной теме буду выкладывать схемы, ссылки и описания программаторов, которые можно легко и просто собрать "на коленке" без использования сложной элементной базы. Обсуждение приветствуется.

Однако решения есть.
